服务流程
一、扇形盲板阀产品概述:
本系列扇形盲板阀又称眼镜阀、翻板阀、扇形阀,系GB6222《工业企业煤气安全规程》要求的可靠切断气体介质的设备。广泛应用于工矿企业、市政、环保等行业的气体介质管理系统中,尤其适用于有害、有毒、易燃气体的绝对切断。亦适宜做管道终端的盲板,以缩短检修时间或方便连接新的管路。
该系列扇形盲板阀与其他在管路中做绝对切断的阀门设备相比,具有结构新颖、重量轻、体积小、操作方便、动作迅速、切断气体性能绝对可靠的特点。
二、工作原理:
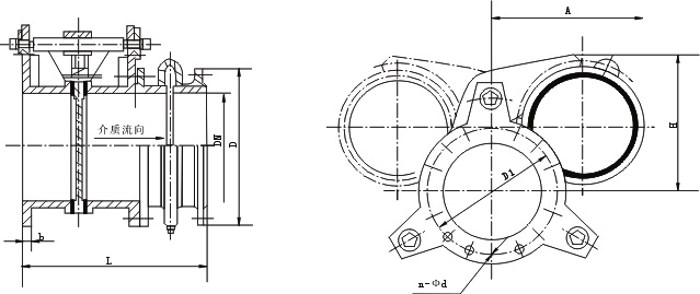
F43X手动扇形盲板阀由左阀体、右阀体、中阀体、连接螺杆(三根)组成。用扳手旋转连接螺杆,使左右阀体完成夹紧和松开动作,利用闸板上盲板和通孔板的位置变换达到启闭目的。本阀具有结构简单,重量轻,性能可靠,操作方便等特点。本阀为短结构系列,橡胶密封圈分别安装在左、右阀体上。
三、扇形盲板阀主要性能指标:
| 公称压力MPa | 0.25 | 0.15 | 0.10 | 0.05 |
| 密封试验压力MPa | 0.275 | 0.165 | 0.11 | 0.055 |
| 强度试验压力MPa | 0.40 | 0.225 | 0.15 | 0.075 |
| 适用温度℃ | 丁腈橡胶 | 硅橡胶 | 氟橡胶 | |
| <120 | <250 | <300 | ||
| 适用介质 | 煤气等有毒、有害、易燃气体 | |||
| 采用标准 | 连接法兰尺寸符合JB/T81-94标准,检测方法符合GB/T13927-92标准 | |||
| 主要零部件材料 | 阀体、闸板为碳钢;连接轴、伸缩器为碳钢或不锈钢;密封圈为橡胶 | |||
四、扇形盲板阀主要外形连接尺寸:
| DN/td> | D/td> | D1/td> | b/td> | n-φd/td> | 短系列 L/td> |
| 100/td> | 210/td> | 170/td> | 12/td> | 4-φ18/td> | 210/td> |
| 150/td> | 265/td> | 225/td> | 14/td> | 8-φ18/td> | 210/td> |
| 200/td> | 320/td> | 280/td> | 14/td> | 8-φ18/td> | 230/td> |
| 250/td> | 375/td> | 335/td> | 14/td> | 12-φ18/td> | 250/td> |
| 300/td> | 440/td> | 395/td> | 16/td> | 12-φ22/td> | 270/td> |
| 350/td> | 490/td> | 445/td> | 16/td> | 12-φ22/td> | 290/td> |
| 400/td> | 540/td> | 495/td> | 16/td> | 16-φ22/td> | 310/td> |
| 450/td> | 595/td> | 550/td> | 20/td> | 16-φ22/td> | 330/td> |
| 500/td> | 645/td> | 600/td> | 20/td> | 20-φ22/td> | 350/td> |
| 600/td> | 755/td> | 705/td> | 20/td> | 20-φ26/td> | 370/td> |
| 700/td> | 860/td> | 810/td> | 20/td> | 24-φ26/td> | 390/td> |
| 800/td> | 975/td> | 920/td> | 22/td> | 24-φ30/td> | 410/td> |
| 900/td> | 1075/td> | 1020/td> | 22/td> | 24-φ30/td> | 430/td> |
| 1000/td> | 1175/td> | 1120/td> | 22/td> | 28-φ30/td> | 450/td> |
| 1200/td> | 1375/td> | 1320/td> | 22/td> | 32-φ30/td> | 470/td> |
| 1400/td> | 1575/td> | 1520/td> | 26/td> | 36-φ30/td> | 490/td> |
| 1500/td> | 1675/td> | 1620/td> | 26/td> | 36-φ30/td> | 510/td> |
| 1600/td> | 1790/td> | 1730/td> | 26/td> | 40-φ30/td> | 530/td> |
| 1800/td> | 1990/td> | 1930/td> | 26/td> | 44-φ30/td> | 550/td> |
| 2000/td> | 2190/td> | 2130/td> | 26/td> | 48-φ30/td> | 570/td> |

Copyright © 2018杭州中力阀门有限公司版权所有