上一个产品 : 铸钢旋启式止回阀
下一个产品 : 国标电站止回阀
国标电站止回阀
水压试验阀
铸钢旋启式止回阀
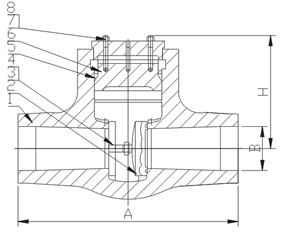
H64Y高压锻钢旋启式止回阀
自紧密封旋启式止回阀
Copyright © 2018杭州中力阀门有限公司版权所有