服务流程
专用于控制非腐蚀性或强腐蚀性介质,阀体内腔表面无衬里或覆有可供选择的各种氟塑料,适用于不同工作温度和流体管路。
适用温度:≤85℃、≤100℃、≤120℃、≤150℃、(可按照衬里和隔膜材料)
压力等级:0.6、1.0、1.6
衬里层:电火花检测
实验与检验按GB/T13927标准
公称压力:PN阀体:PN×1.5 密封:PN×1.1
材料: 阀体:铸铁、球墨铸铁、碳钢、不锈钢 阀盖:铸铁、球墨铸铁、碳钢、不锈钢
衬里:无衬里、氟塑料 隔膜:氟塑料
阀瓣:铸铁、不锈钢
阀杆:碳钢、不锈钢
手轮:铸铁

隔膜阀是一种特殊形式的截断阀
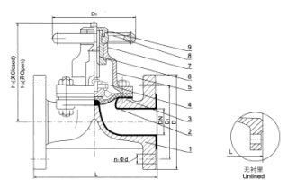
1、阀体2、阀体衬里3、隔膜4、阀瓣5、阀盖6、阀杆7、阀杆螺母8、手轮9、锁紧螺母
| 公称通径 | 公称压力 | 工作压力 | L | D | D1 | n-Фd | f | H1 | H2 | D0 | 质量 |
|---|---|---|---|---|---|---|---|---|---|---|---|
| 15 | 1.0 | 1.0 | 125 | 95 | 65 | 4-14 | 2 | 100 | 4.5 | ||
| 20 | 135 | 105 | 75 | 4-14 | 2 | 100 | 4.5 | ||||
| 25 | 145 | 115 | 85 | 4-14 | 2 | 121 | 135 | 120 | 5 | ||
| 332 | 160 | 140 | 100 | 4-18 | 2 | 132 | 150 | 120 | 7 | ||
| 40 | 180 | 150 | 110 | 4-18 | 3 | 156 | 175 | 140 | 9 | ||
| 50 | 210 | 165 | 125 | 4-18 | 3 | 169 | 195 | 140 | 12.5 | ||
| 65 | 0.6 | 250 | 185 | 145 | 4-18 | 3 | 200 | 236 | 200 | 19 | |
| 80 | 300 | 200 | 160 | 4-48 | 3 | 216 | 256 | 200 | 25.5 | ||
| 100 | 350 | 220 | 180 | 8-18 | 3 | 270 | 322 | 280 | 40 | ||
| 125 | 400 | 250 | 210 | 8-18 | 3 | 338 | 406 | 320 | 62 | ||
| 150 | 460 | 285 | 240 | 8-22 | 3 | 384 | 464 | 320 | 80.5 | ||
| 200 | 0.4 | 570 | 340 | 295 | 8-22 | 4 | 518 | 638 | 400 | 146 | |
| 250 | 680 | 395 | 350 | 12-22 | 4 | 598 | 724 | 500 | 240 | ||
| 300 | 790 | 445 | 400 | 12-22 | 4 | 698 | 778 | 500 | 334 | ||
| 350 | 900 | 505 | 460 | 16-22 | 4 | 723 | 883 | 500 | 371 | ||
| 400 | 0.25 | 1000 | 565 | 515 | 16-25 | 4 | 868 | 1078 | 640 | 584 |
Copyright © 2018杭州中力阀门有限公司版权所有